Descripción
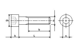
Tornillos de cabeza cilíndrica con hueco hexagonal.
| d | M3 | M4 | M5 | M6 | M8 | M10 | M12 | M14 | M16 | M18 |
| P | 0,5 | 0,7 | 0,8 | 1 | 1,25 | 1,5 | 1,75 | 2 | 2 | 2,5 |
| b* | 18 | 20 | 22 | 24 | 28 | 32 | 36 | 40 | 44 | 48 |
| dk (max) | 5,5 | 7 | 8,5 | 10 | 13 | 16 | 18 | 21 | 24 | 27 |
| k (max) | 3 | 4 | 5 | 6 | 8 | 10 | 12 | 14 | 16 | 18 |
| s | 2,5 | 3 | 4 | 5 | 6 | 8 | 10 | 12 | 14 | 14 |
| d | M20 | M22 | M24 | M27 | M30 | M33 | M36 | M42 | M48 | M56 |
| P | 2,5 | 2,5 | 3 | 3 | 3,5 | 3,5 | 4 | 4,5 | 5 | 6,5 |
| b* | 52 | 56 | 60 | 66 | 72 | 78 | 84 | 96 | 108 | 124 |
| dk (max) | 30 | 33 | 36 | 40 | 45 | 50 | 54 | 63 | 72 | 84 |
| k (max) | 20 | 22 | 24 | 27 | 30 | 33 | 36 | 42 | 48 | 56 |
| s | 17 | 17 | 19 | 19 | 22 | 24 | 27 | 32 | 36 | 41 |
CALIDAD: 10.9




